Product Summary
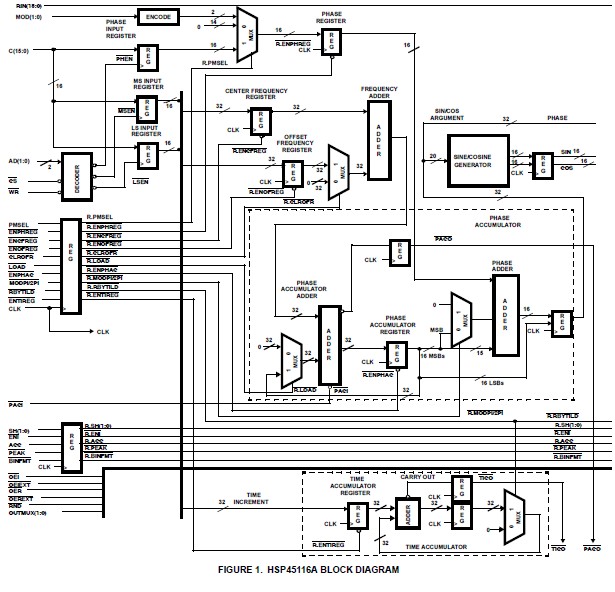
The Intersil HSP45116AVC-52 combines a high performance quadrature numerically controlled oscillator (NCO) and a high speed 16-bit Complex Multiplier/Accumulator (CMAC) on a single IC. This combination of functions allows a complex vector to be multiplied by the internally generated (cos, sin) vector for quadrature modulation and demodulation. As shown in the Block Diagram, the HSP45116AVC-52 is divided into three main sections. The Phase/Frequency Control Section (PFCS) and the Sine/Cosine Section together form a complex NCO. The CMAC multiplies the output of the Sine/ Cosine Section with an external complex vector.
Parametrics
HSP45116AVC-52 absolute maximum ratings: (1)Supply Voltage: +7.0V; (2)Input, Output or I/O Voltage Applied: GND -0.5V to VCC +0.5V; (3)ESD Classification: Class 1; (4)Voltage Range: +4.75V to +5.25V; (5)Temperature Range: 0℃ to +70℃; (6)Thermal Resistance (Typical), θJA (℃/W) MQFP Package: 38.0; (7)Maximum Junction Temperature: +150℃; (8)Maximum Storage Temperature Range: -65℃ to +150℃.
Features
HSP45116AVC-52 features: (1)NCO and CMAC on One Chip; (2)52MHz Version; (3)32-Bit Frequency Control; (4)16-Bit Phase Modulation; (5)16-Bit CMAC; (6)0.013Hz Tuning Resolution at 52MHz; (7)programmable Rounding Option; (8)spurious Frequency Components < -90dBc; (9)fully Static CMOS; (10)pb-Free Plus Anneal Available (RoHS Compliant).
Diagrams

| Image | Part No | Mfg | Description | ![]() |
Pricing (USD) |
Quantity | ||||||||
|---|---|---|---|---|---|---|---|---|---|---|---|---|---|---|
![]() |
![]() HSP45116AVC-52 |
![]() Intersil |
![]() IC OSCILLATOR/MOD NCO 160-MQFP |
![]() Data Sheet |
![]() Negotiable |
|
||||||||
![]() |
![]() HSP45116AVC-52Z |
![]() Intersil |
![]() Programmable Oscillators W/ANNEAL 16 BIT CNTRLR DSC/MDD 16 |
![]() Data Sheet |
![]()
|
|
||||||||
(China (Mainland))










