Product Summary
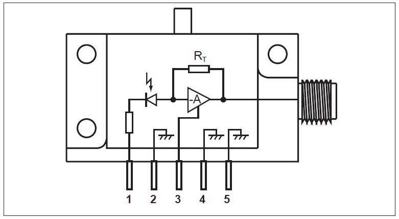
The PP-10G is a 10Gb/s PIN Preamp Receiver. It consists of a low capacitance photodetector and a low noise GaAs transimpedance amplifier in an hermetic package with a connectorized single-mode fibre pigtail and a 50 1/2 SMA electrical output. The applications of the PP-10G include Long and short reach SONET/SDH systems, Optically preamplified receivers, Datacom systems up to 12.5 Gb/s.
Parametrics
PP-10G absolute maximum ratings: (1)Positive supply: 9 V; (2)Operating temperature : 0 to 70 ℃; (3)Storage temperature: -50 to 70 ℃; (4)Maximum optical input: 10 dBm; (5)Maximum module PIN bias voltage: 15 V; (6)Maximum peak module PIN current: 3 mA; (7)Minimum fibre bend radius: 35 mm.
Features
PP-10G features: (1)Low capacitance high speed InGaAs PIN detector; (2)GaAs HBT preamp IC chip; (3)Single polarity power supply; (4)11GHz bandwidth; (5)Wide dynamic range; (6)Hermetically sealed; (7)Bellcore TR-NWT-000468 compliant.
Diagrams

![]() |
![]() PP-11593 |
![]() Bud Industries |
![]() Enclosures, Boxes, & Cases PI PLATE 6.35 x 6.35 x 2.56" |
![]() Data Sheet |
![]()
|
|
||||||||||||
(China (Mainland))








