Product Summary
The 5962-0620801QXC is a highly integrated, high-performance solution for demanding control applications.
Parametrics
5962-0620801QXC absolute maximum ratings: (1)Supply voltage range, VDDIO, VDDA1, VDDA2, VDDAIO, and AVDDREFBG: - 0.3 V to 4.6 V; (2)Supply voltage range, VDD, VDD1: - 0.5 V to 2.5 V; (3)VDD3VFL range: - 0.3 V to 4.6 V; (4)Input voltage range, VIN: - 0.3 V to 4.6 V; (5)Output voltage range, VO:- 0.3 V to 4.6 V; (6)Input clamp current, IIK (VIN < 0 or VIN > VDDIO): ±20 mA; (7)Output clamp current, IOK (VO < 0 or VO > VDDIO): ±20 mA; (8)Operating ambient temperature range, TA: M version (HFG): - 55℃ to 125℃; (9)Storage temperature range, Tstg: - 65℃ to 150℃.
Features
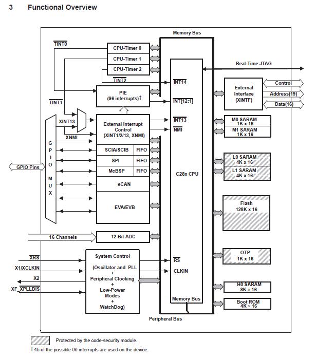
5962-0620801QXC features: (1)Boot ROM (4K x 16): With Software Boot Modes, Standard Math Tables; (2)External Interface: Up to 1M Total Memory, Programmable Wait States, Programmable Read/Write Strobe Timing, Three Individual Chip Selects; (3)Clock and System Control: Dynamic PLL Ratio Changes Supported,On-Chip Oscillator, Watchdog Timer Module; (4)Three External Interrupts; (5)Peripheral Interrupt Expansion (PIE) Block That Supports 45 Peripheral Interrupts.
Diagrams

![]() |
![]() 5962 |
![]() Pomona Electronics |
![]() Test Clips TEST CLIP 20/24 P |
![]() Data Sheet |
![]() Negotiable |
|
||||||||
![]() |
![]() 5962(1"x36yd) |
![]() 3M Electronic Specialty |
![]() Tapes & Mastics 5962 1 X 36 YD BULK |
![]() Data Sheet |
![]()
|
|
||||||||
![]() |
![]() 5962-0051401VPA |
![]() Texas Instruments |
![]() Power Driver ICs Non-Inverting Hi Spd Pwr Drvr |
![]() Data Sheet |
![]()
|
|
||||||||
![]() |
![]() 5962-0152001VPA |
![]() Texas Instruments |
![]() Power Driver ICs Comp Hi Crnt MOSFET Drvr |
![]() Data Sheet |
![]()
|
|
||||||||
![]() |
![]() 5962-0254501MZA |
![]() National Semiconductor (TI) |
![]() Operational Amplifiers - Op Amps |
![]() Data Sheet |
![]()
|
|
||||||||
![]() |
![]() 5962-0254501VPA |
![]() National Semiconductor (TI) |
![]() Operational Amplifiers - Op Amps |
![]() Data Sheet |
![]()
|
|
||||||||
(China (Mainland))










