Product Summary
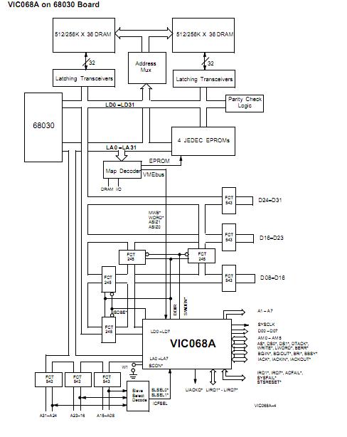
The VIC068A-UMB is a VMEbus interface controller. It is a single chip designed to minimize the cost and board area requirements and to maximize performance of the VMEbus interface of a VMEbus master/slave module. This can be implemented on VIC068A-UMB either an 8-bit, 16-bit, or 32-bit VMEbus system. The VIC068A-UMB performs all VMEbus system controller functions plus many others, which simplify the development of VIC068Aa VMEbus interface. The VIC068A-UMB utilizes patented on-chip output buffers. These CMOS high-drive buffers provide direct connection to the address and data lines. In addition to these signals, the VIC068A-GC connects directly to the arbitration, interrupt,
Parametrics
VIC068A-UMB absolute maximum ratings: (1)Military/High-Rel: N; (2)Tech.: CMOS; (3)Micro Processor Family: 68030; (4)Maximum Clock Frequency (Hz): 16M; (5)Nom. Supp Volt: 5.0; (6)Minimum Operating Temp (℃): 0; (7)Maximum Operating Temp (℃): 70; (8)Package Style: PGA; (9)Mounting Style: T; (10)# Pins: 144.
Features
VIC068A-UMB features: (1)Refresh option for local DRAM; (2)Four broadcast location monitors; (3)Four module-specific location monitors; (4)Eight interprocessor communications registers; (5)PGA or QFP packages; (6)Compatible with IEEE Specification 1014, Rev. C; (7)Supports RMC operations; (8)Complete VMEbus interface controller and arbiter.
Diagrams

![]() |
![]() VIC068A |
![]() Other |
![]() |
![]() Data Sheet |
![]() Negotiable |
|
||||
![]() |
![]() VIC068A-GMB |
![]() Other |
![]() |
![]() Data Sheet |
![]() Negotiable |
|
||||
(China (Mainland))








