Product Summary
The C1947 is a silicon NPN epitaxial planar type transistor designed for industrial use RF power amplifiers on VHF band mobile radio applicaitons. The applications of the device are 1 to 3 watt power amplifiers in VHF band mobile radio applicaitons.
Parametrics
C1947 absolute maximum ratings: (1)VCBO, collector to base voltage: 35V; (2)VEBO, emitter to base voltage: 4V; (3)VCEO, collector to emitter voltage: 17V; (4)IC, collector current: 1A; (5)PC, collector dissipation: 1W at Ta=25℃; 10W at Tc=25℃; (6)Tj, junction temperature: 175℃; (7)Tstg, storage temperature: -65 to 175℃.
Features
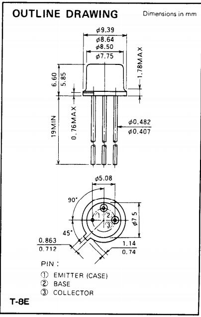
C1947 features: (1)high power gain: Gpe≥10.7dB at VCC=13.5V, Po=3.5W, f=175MHz; (2)TO-39 metal seeled package for high reliability; (3)emitter electrode is connected electrically to the case.
Diagrams

 (China (Mainland))
 (China (Mainland)) 
                         
                        
 
                                    




